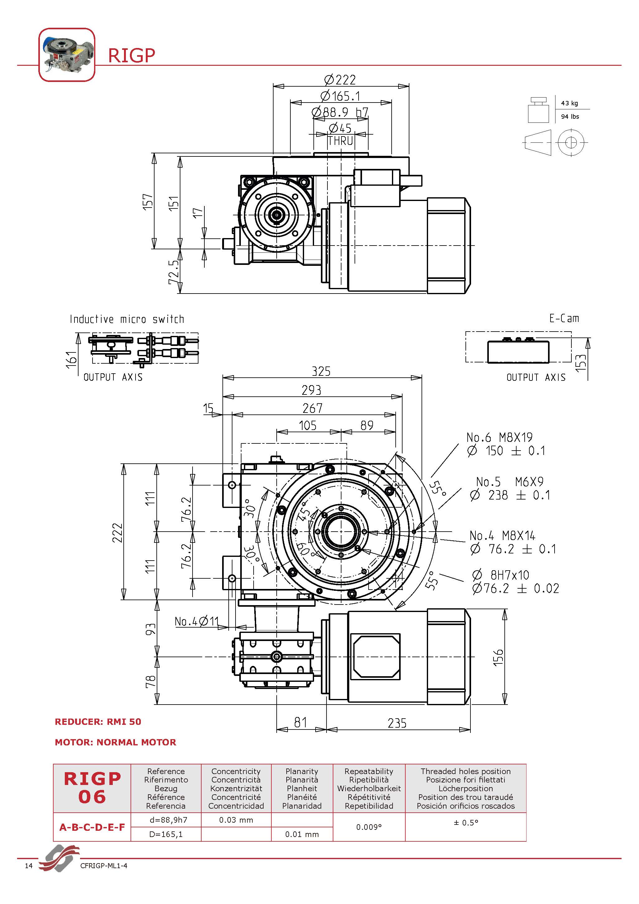
描述
COLOMBO FILIPPETTI spa 的直角軸“RIGIDIAL”轉臺具有球形凸輪,可將均勻的旋轉輸入運動轉換為間歇性的旋轉輸出運動。
這些工作臺旨在以低成本實現高性能。
轉盤采用大直徑交叉滾子軸承支撐,可承受高軸向和傾覆載荷,同時確保高精度和剛度。球面凸輪,氮化或研磨和回火,確保無振動運動和高精度定位。

























傳真:0510-86199978
郵箱:info@andrewen.com
手機號:18961619099
地址:江蘇省江陰市澄江東路3號
描述
COLOMBO FILIPPETTI spa 的直角軸“RIGIDIAL”轉臺具有球形凸輪,可將均勻的旋轉輸入運動轉換為間歇性的旋轉輸出運動。
這些工作臺旨在以低成本實現高性能。
轉盤采用大直徑交叉滾子軸承支撐,可承受高軸向和傾覆載荷,同時確保高精度和剛度。球面凸輪,氮化或研磨和回火,確保無振動運動和高精度定位。























